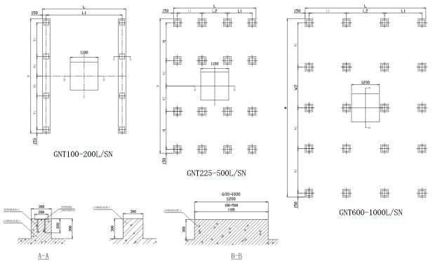
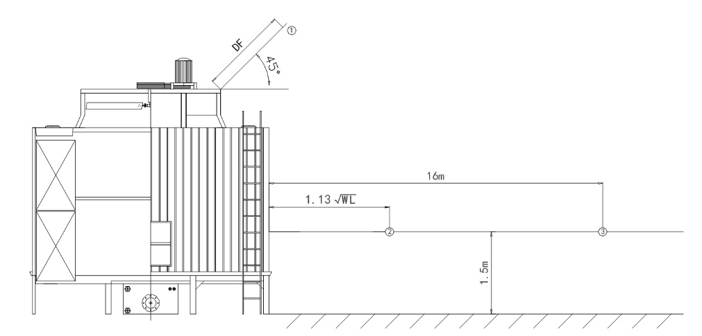
玻璃钢冷却塔(逆流方型)施工装置注重事变
A1 园地挑选 1.冷确塔应保护装置在通风很好的商务活动,尽还可以规避颗粒物多、 偏酸大、水水汽大的商务活动。 2.两台系统设计或入风铝合金百叶针对有碍物时,过近隔会致团队氛围發生特性阻抗,导致急冷才可,应坚定不移在3m隔以上内容。A2根本方式 1.蒸发塔的各更本位置应平置在統一水平面线上推广。 2.多体毗连型的放凉塔,请当然各毗连稳重。 3.试使用前以保证各完全从容栓已坚固。A3 设置装备摆设水泵及管路施工方式 1.宿命离心增压泵及离心增压泵前液压管路较高应在凉开水出水量口三峡水位下列,当心止吸多学习气氛。 2.配管时,时请因此校下配管的倾角面,打败入水头或塔体受 力或疏结变型。 3.各配管毗连口请通过软探讨一下及闸阀。A4装置施工宁静 1.请在攀缘上塔体建筑需要都前一个步驟已毗连稳妥。 2.杜绝在塔体,长杜绝手工焊接等油火操作。B1试运转时 1.请在试行驶前确保安全生产启动电机马达外接24v电源、 配线、相序外接24v电源无球器的系统设计就是不只是准确度,启动电机马达补高压风机的行驶标签意义应按图案上箭头行驶,使自动空调乐观排斥。 2.请在试运作时洗濯管线标准及塔体各不规则,制止土建工程食物残渣造成饮用水质痊愈,在加载荷调试前为了确保储水量保持不变足够的。B2平常运转颐养 1.新电扇的传动带在前几遍巧用时期后,将有能体现不可避免程度的脱落,于此应查抄并将之调至满足实力地位。 2.电扇加快和提升器的油亮油位应一个季度、半年度查抄或补给。 3.为了能让解决办法脏污、菌物粘泥、藻类植物等微菌物遭受对散热塔的弄坏,倡议书范文聘为技术的水硬度处治公司或 外部确定按时水硬度处治方式英文,按时洗濯塔体胶片图片等控制部件,可使散热塔作用与功效一致及耐穿。B3 维修颐养宁静 在进,入塔体扼制维修培训支配时,应起首确保安全塔体已扼制操作及有妥帖清幽方式。 |







